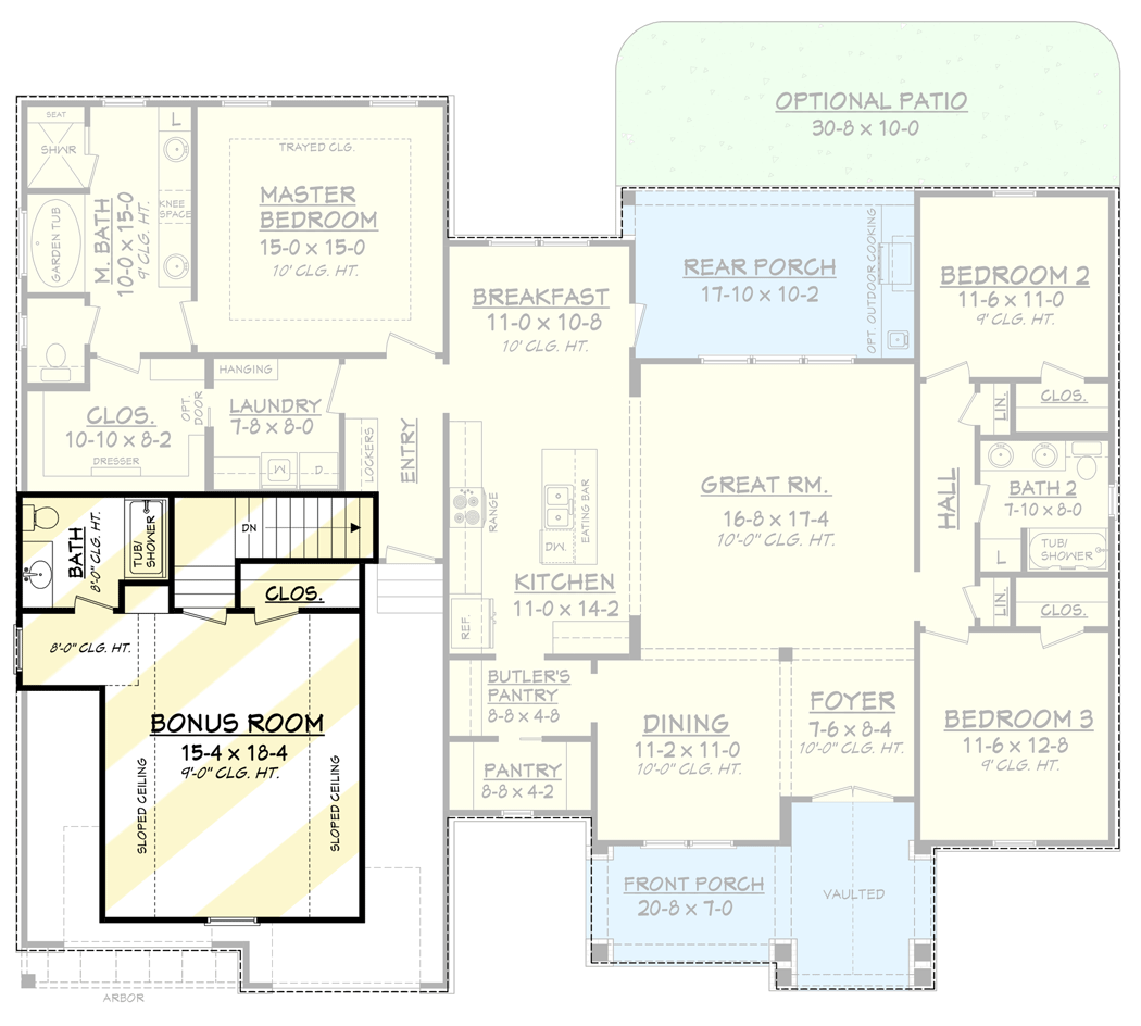
This design offers around 2,073 sq ft of heated living area, with a base layout of 3 bedrooms and 2 full bathrooms, plus an optional bonus room above the garage (~430 sq ft) — ideal for guest use, office, storage, or future expansion.

Bonus room

Exterior & First Impressions
The exterior features Craftsman-style elements: exposed trusses and beams on the front porch, an arbor over the garage, and comfortable proportions (~66′-6″ wide by 54′ deep) — giving a cozy yet polished curb appeal.

Open Core & Everyday Flow
Inside, 10-ft ceilings throughout main living areas make spaces feel open and airy. There’s a gourmet kitchen with a butler’s pantry, flowing into living and dining zones — a layout that’s both functional for everyday living and pleasant for entertaining.
You also get a covered outdoor-kitchen / patio area linked to the main space — nice for indoor-outdoor living. 3
Bedroom Zones & Flexibility
– The **master suite** comes with a spa-like bath (3′6″ × 5′ shower) and a generous closet, plus access to the laundry — a smart convenience feature.
– Two additional bedrooms provide space for family or guests. With the bonus room over the garage, you could even expand to a **4th bedroom/office or hobby room** as needs evolve. 5
Modern Touches & Functional Features
- Exposed trusses/beams on front porch and arbor above garage — adds architectural character and curb appeal. 6
- 10-ft ceilings in main living zones — enhances openness and light. 7
- Gourmet kitchen with butler’s pantry — great for cooking, storage, and entertaining. 8
- Covered outdoor kitchen/patio — extends living outdoors, ideal for gatherings or relaxation. 9
- Bonus room over garage — extra flexible space for guest room, office, storage, or future adaptation. 10
Quick Specs
| Feature | Detail |
|---|---|
| Heated Living Area | ~ 2,073 sq ft |
| Bedrooms | 3 (optionally 4 with bonus room) |
| Bathrooms | 2 full (optionally 3 if bonus room configured with bath) |
| Stories | Single story + bonus room above garage |
| Bonus Room (above garage) | ~ 430 sq ft |
| Front Porch (with beams/trusses) | Covered — adds curb appeal |
| Exterior Width × Depth | ~ 66′-6″ × 54′-0″ |
| Ceiling Height (Main Areas) | 10 ft (vaulted/optional higher in great-room version) |
Why This Plan Might Appeal
This plan is appealing because it packs a lot of value into a modest footprint — combining Craftsman charm, modern practicality, and flexibility. The open, well-proportioned main living area with a nice kitchen and outdoor connectivity works well for daily living and entertaining.

The master suite with smart laundry access, two additional bedrooms, and a bonus room provide flexibility for guests, work, or future needs. If you want a compact but comfortable home that stays flexible as life evolves — this plan is a solid, balanced choice.
“`11





















