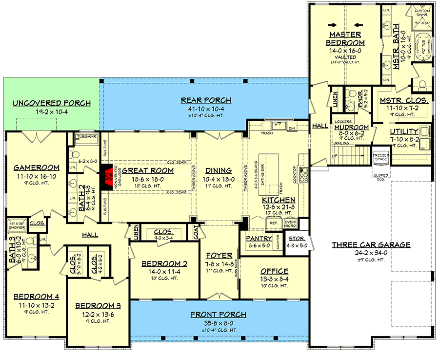
This 3,086-square-foot modern-farmhouse plan gives you a comfortable, family-friendly home that balances everyday living with flexibility.

With four bedrooms (plus an optional bonus room above the garage), dedicated game/rec spaces, and a 3-car garage — it’s built to meet both present needs and future changes.

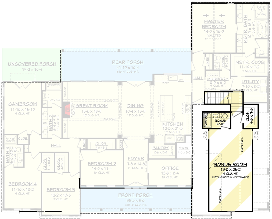
Bonus room

📐 Basic Facts & Layout Overview
- Heated living area: ~3,086 sq ft. 2
- Bedrooms: 4 on main level, with optional 5th via bonus room. 3
- Bathrooms: 3.5 – 4.5 depending on whether bonus-room bath is added. 4
- Garage: 3-car attached, side-entry. 5
- Stories: Single-level main floor + optional bonus space above garage. 6
🏡 Living Spaces & Layout Highlights
Entrance through the front porch leads into a foyer; to one side is a home office — great if you work from home or need a quiet study spot. 7
The main living area features an open flow: kitchen → dining → great room. The kitchen includes a large island with eating bar and a walk-in pantry, perfect for everyday meals and entertaining alike. 8

From the living room or dining area, French doors lead to a large rear porch — offering a nice indoor-outdoor living extension and space for outdoor dining or relaxation. 9
🛏️ Bedrooms, Master Suite & Private Zones
The master suite includes a vaulted ceiling and enjoys a thoughtful layout: from the walk-in closet you get direct access to the laundry — a small but handy feature that simplifies everyday routines. 10

The other three bedrooms are on the opposite side of the house, served by two bathrooms — offering privacy and separation between parents and children/guests. 11
🎮 Game Room & Bonus Room — Flexibility Built In
A dedicated game/rec room sits within the main floor, with access to the outside — a versatile area for kids, hobbies, movie nights, or as overflow guest space. 12

Above the garage, an optional ~525 sq ft bonus room (with the option for a full bath) becomes a smart somewhere-down-the-road upgrade. Use it as a 5th bedroom, home office, media room, gym, guest suite — or anything your family needs over time. 13
🚗 Practical Perks: Garage, Storage & Utility Flow
The 3-car side-entry garage keeps vehicles and storage tucked to the side/back — maintaining clean curb appeal while giving plenty of parking and workshop potential. 14
Thanks to the smart layout (master closet → laundry, pantry kitchen, mudroom entry path) the everyday flow is efficient — ideal for families juggling work, school, chores, and relaxation. 15
🌿 Who This Plan Is Great For
- Families wanting 4 bedrooms now but preferring the flexibility to expand later.
- Homeowners who value open-concept living, indoor-outdoor flow, and a design that adapts to changing needs.
- People needing a mix of private spaces (bedrooms, home office), shared zones (kitchen, living), and recreation/bonus spaces.
- Those who appreciate thoughtful details — laundry access, walk-in pantry, large porch, 3-car garage — that make daily life smoother.
In short: this plan offers a modern-farmhouse style home that feels complete now but remains flexible for whatever your future brings — from children to guests, hobbies to home offices, or just room to breathe.
“`16






















